
名称:异三通
承压等级:【1.0MPa】
颜色:灰色
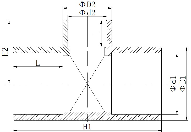
产品规格图解:
其中“ΦD1”表示管件主管口公称外径,“Φd1”表示管件主管口公称内径,“ΦD2”表示管件支管口公称外径,“Φd2”表示管件支管口公称内径,“L”管件主管口承插长度,“l”表示管件支管口承插长度,“H1”管件长度,“H2”表示管件中心距,1.0MPa=10公斤
产品包装介绍:PVC-U管件是一种硬质聚氯乙烯材料,它是由聚氯乙烯树脂与稳定剂、润滑剂等以一定的比例混合注塑成型的。产品外表光滑,符合GB/T10002.1-2006的标准。
1.产品经过热塑处理,最高可在流体温度60C°的环境下正常工作。
2.主要用于不同口径管材之间的连接,管道分支(主支管道口径不同)时使用。
3.管件的连接采用胶粘式,便于安装,密封性可靠。
4.管件长时间使用内壁不结垢、不阻塞,更卫生。
※若购买此种管件用于管材连接,需同时购买相配套的PVC胶水(胶合剂),具体安装方式及注意事项详见《粘接式PVC管件安装方法》。